Стол поворотный RT125
24 088 ₽
Наличие уточняйте
-
+
В корзину
Обращаем Ваше внимание на то, что приведенные цены, характеристики и фотографии товаров носят исключительно ознакомительный характер и не являются публичной офертой, определяемой пунктом 2 статьи 437 Гражданского кодекса Российской Федерации.
Описание
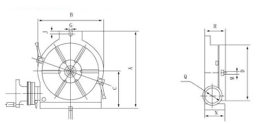
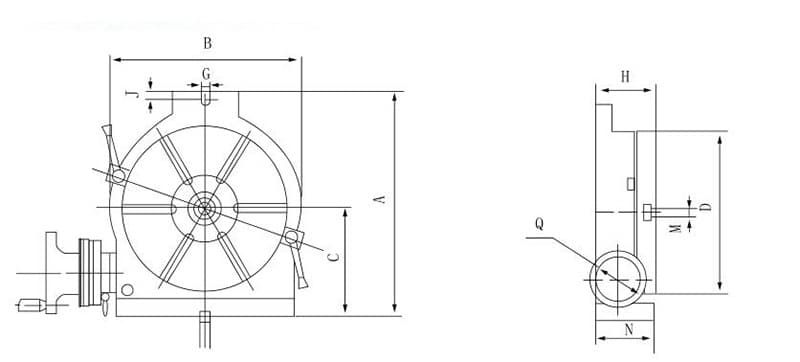
Стол поворотный модели RT125 с диаметром планшайбы 125 мм предназначен для поворота закрепленной на нем заготовки на заданный угол. Может быть установлен в вертикальное и горизонтальное положение. В столе есть внутреннее конусное отверстие для центрирования оснастки. Механизм привода позволяет регулировать червяк и размыкать его. Предусмотрена возможность выбора люфта в передаче.
Характеристики
|
Габариты в упаковке, мм
|
340х260х165 |
|
Масса, кг
|
13,5 |








