Гидравлический пресс KRWPR20F
В любом автосервисе, автомастерской или даже гараже постоянно требуется проведение операции по выпрессовке/запрессовке таких деталей, как ступичный подшипник или сайлентблоки рычагов. Ранее проведение данной операции вручную требовало значительных трудовых и временных затрат. С появлением гидравлических прессов этот трудоемкий процесс значительно упростился и стал безопаснее, а широкая линейка прессов с различным максимальным усилием позволяет подобрать наиболее подходящий для выполнения тех или иных задачи.
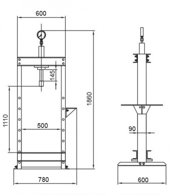
Принцип работы гидравлического пресса заключается в создании давления гидравлического масла в рабочем цилиндре при помощи насоса. Создаваемое насосом давление перемещает шток цилиндра в вертикальной плоскости, который в свою очередь давит на деталь, расположенную между штоком и рабочим столом. Усилие, с которым давит шток контролируется по манометру, установленному на гидроцилиндре.
Несмотря на общий принцип работы, гидравлические прессы имеют три основных различия:
- Максимально развиваемое усилие
- Тип корпуса – настольный, напольный
- Привод насоса – ручной, ножной, пневмогидравлический, электрогидравлический
Гидравлические прессы KRAFTWELL, в отличие от более дешевых аналогов, изготавливаются на современном и высокоточном оборудовании одного из ведущих заводов в Китае и исключительно из высококачественных материалов в соответствии с европейскими нормами безопасности и стандартами качества, что гарантирует длительный период эксплуатации и безопасность при работе. Качество подтверждено сертификатами EAC и CE.
Пресс KRWPR20F с ручным и ножным приводом обладает следующими особенностями:
- Максимальное развиваемое усилие – 20 тонн
- Гидравлический насос с ручным и ножным приводом
- Встроенный в насос предохранительный клапан для защиты от перегрузок
- Быстросборный корпус рамы напольного типа
- Устойчивое основание с отверстиями для крепления анкерами к полу
- Регулируемый по высоте рабочий стол
- Перемещение цилиндра в горизонтальной плоскости
- Автоматическая регулировка скорости перемещения штока (без нагрузки быстрее, под нагрузкой медленнее)
- Манометр, заполненный глицерином
- Эргономичная рукоятка сброса давления
- V-образные блоки с ограничителями перемещения
- Возможность оснащения комплектом пуансонов (опция) - KRWPS
- Индикатор крайнего положения штока
- Хромированная поверхность штока
- Автоматический возврат штока после сброса давления
- Поставляется в одной фанерной коробке
|
Номинальное усилие пресса, кН
|
200 |
|
Габаритные размеры, мм
|
1640/300/230 |
|
Масса, кг
|
97 |















