Фильтровентиляционная установка ФМС-1200-1
Благодаря фильтрующему элементу на бумажно-тканевой основе позволяет осуществить полномасштабную очистку воздуха от аэрозолей (в том числе сварочного) и мелкодисперсной сухой неслипающейся пыли, выделяющейся при различных производственных процессах.
Запатентованная система регенерации фильтрующего элемента позволяет производить эффективную регенерацию фильтрующего элемента, без использования сжатого воздуха, работает от электросети.
Фильтр оснащен самофиксирующимся в пространстве воздухоприёмным устройством.
Фильтры предназначены для очистки воздуха от сварочного аэрозоля, образующегося при сварке, ручной газовой резке металлов, а также для очистки от мелкодисперсной (размеры частиц ≥0,3мкм) сухой, невзрывоопасной, неслипающейся пыли, образующейся при порошковой окраске изделий, механической обработке изделий из металла и пластмасс.
Максимальная температура загрязненного воздуха не должна превышать 60ºС.
Применение:
- сварочные цеха
- цеха механической обработки металла
- цеха механической обработки пластмасс
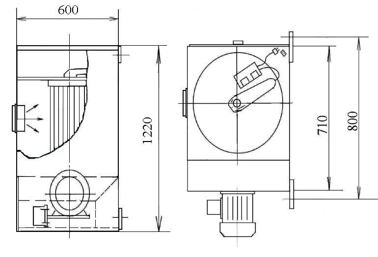
Фильтр состоит из корпуса с входным патрубком, снабжен ножками для установки на пол или проушинами для крепления к стене (в зависимости от исполнения). На корпусе закреплено воздухоприёмное устройство. Внутри корпуса по ходу воздушного потока установлен отбойник, для предотвращения попадания крупных частиц, окалины и искр на основной фильтрующий элемент картриджного типа. Внутри фильтрующего элемента расположена система регенерации, а её привод на крышке фильтрующего элемента. Включение электродвигателя системы регенерации осуществляется автоматически через (50-60) сек. после включения вентилятора.
Фильтр снабжен вентилятором и пусковой аппаратурой, кабелем питания длиной 5м, разъёмом для подключения к электросети.
Фильтр ФМС-1200-1 выпускается в двух исполнениях:
- напольное
- настенное
Фильтры выпускаются с воздуховытяжным устройством d=160мм в следующих модификациях :
- ФМС-1200-1 с устройством Rобсл. =2,0м
- ФМС-1200-1 У с устройством Rобсл.=3,2м
- ФМС-1200-1 УМ с устройством Rобсл.=4м
|
Производительность вентилятора, м3/час
|
1200 |
|
Мощность электродвигателя вентилятора, кВт
|
1,5 |
|
Радиус действия ПВУ, м
|
2 |
|
Степень очистки, %
|
98 |
|
Масса, кг
|
68 |
- угольной кассетой для доочистки газообразной фазы сварочного аэрозоля.





