Таль электрическая канатная ТЭ 100-521
134 000 ₽
Наличие уточняйте
-
+
В корзину
Обращаем Ваше внимание на то, что приведенные цены, характеристики и фотографии товаров носят исключительно ознакомительный характер и не являются публичной офертой, определяемой пунктом 2 статьи 437 Гражданского кодекса Российской Федерации.
Описание
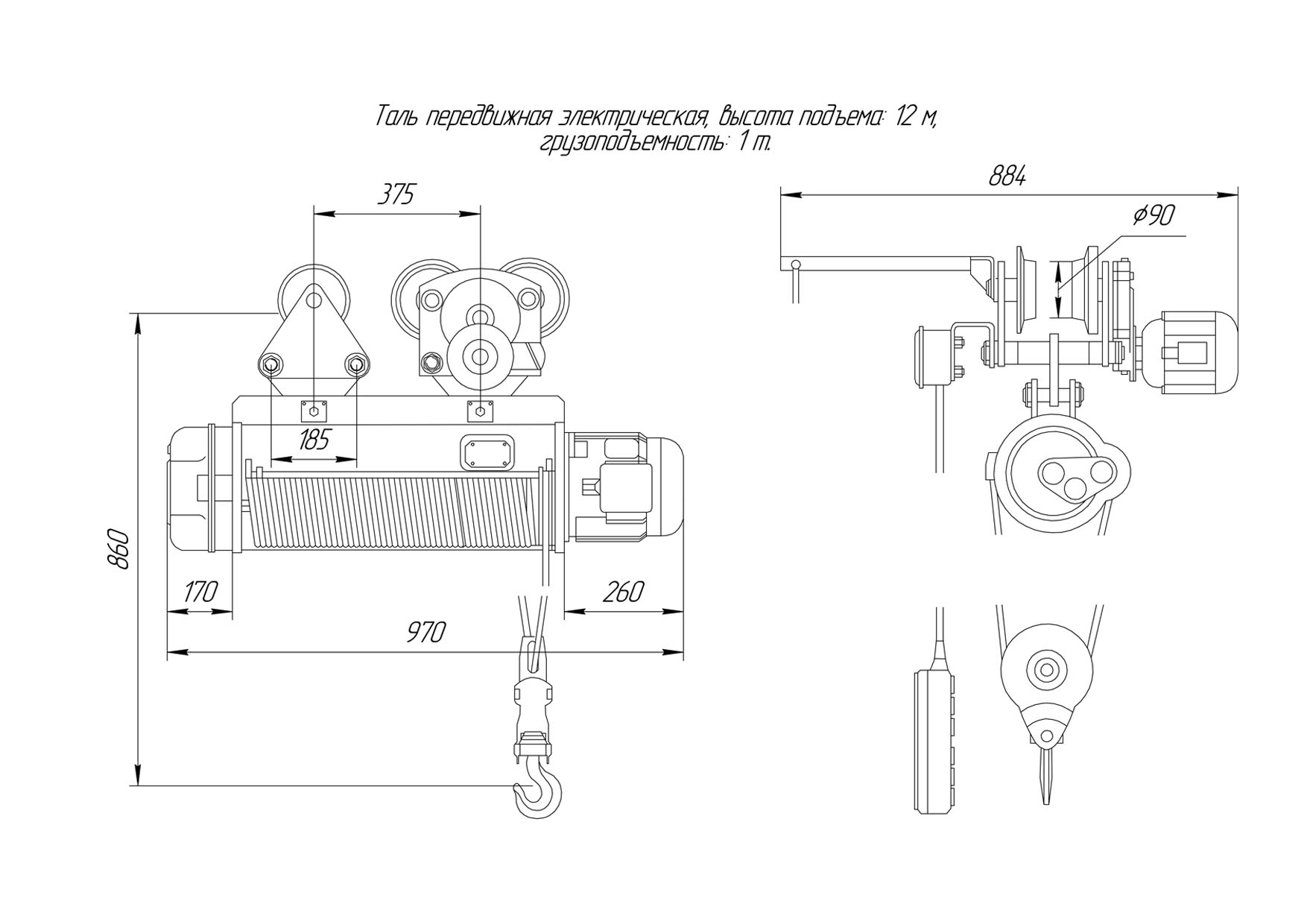
Передвижная электрическая канатная таль ТЭ 100 грузоподъемностью 1000кг оснащена кареткой передвижения с электроприводом. Таль предназначена для подъема, удержания и опускания различных грузов а также для горизонтального перемещения грузов вдоль монорельсового пути двутаврового профиля.
Базовая комплектация:
Базовая комплектация:
- нормальная строительная высота
- одна скорость на подъем
- одна скорость на передвижение
- тормоза на всех приводах
- управление с подвесного пульта
- передвижение по прямолинейному пути
- степень защиты IP54
- температура эксплуатации -20°С ... +40°С
- установка частотных преобразователей
- радиоуправление
- специальная покраска
- световая сигнализация
- звуковая сигнализация
- температура эксплуатации -40°С ... +40°С
- ограничитель грузоподъемности
- концевые выключатели на ход тали
Характеристики
|
Грузоподъемность, кг
|
1000 |
|
Высота подъема, м
|
12.0 |
|
Тип тали
|
канатная |
|
Тип привода
|
электрический |
|
Каретка перемещения
|
с электроприводом |
|
Скорость подъема, м/мин
|
8.0 |
|
Скорость перемещения, м/мин
|
20.0 |
|
Взрывозащищенное исполнение
|
опция |
|
Кратность полиспаста
|
2/1 |
|
Профиль пути/ширина полки, мм
|
№ 18М: 24М; 30М; 36М (ГОСТ 19425) |
|
Мин. радиус поворота пути, м
|
1.5 |
|
Строительная высота, мм
|
860 |
|
Напряжение питания, В
|
3x380 |
|
Мощность двигателя, кВт
|
1.5, 0.2 |
|
Габаритные размеры, мм
|
860х640х860 |
|
Масса, кг
|
207 |



