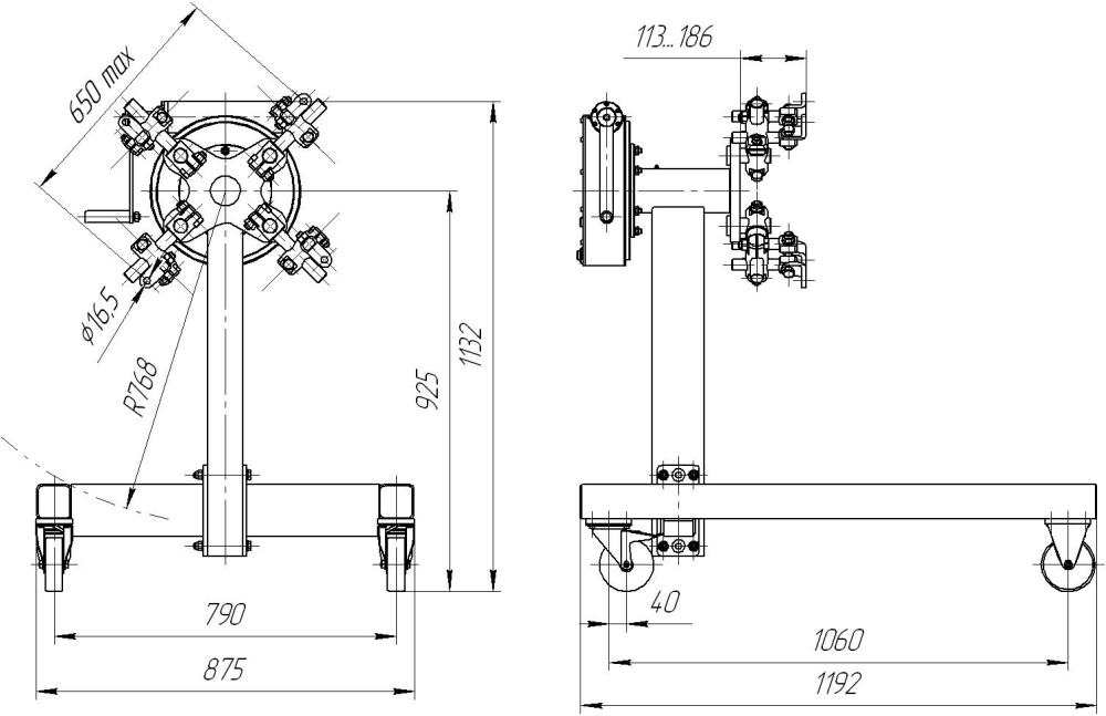
Стенд для разборки и сборки двигателей Р500Е
Стенд универсальный для ремонта ДВС, КПП весом до 800кг. Привод - ручной через червячный редуктор, передвижной.
Подробнее
132 000 ₽
Наличие уточняйте
-
+
В корзину
Обращаем Ваше внимание на то, что приведенные цены, характеристики и фотографии товаров носят исключительно ознакомительный характер и не являются публичной офертой, определяемой пунктом 2 статьи 437 Гражданского кодекса Российской Федерации.
Описание
Стенд универсальный для ремонта ДВС, КПП весом до 800кг. Привод - ручной через червячный редуктор, передвижной.
Предназначен для сборки-разборки двигателей автомобилей и других агрегатов отечественного и импортного производства весом до 800кг.
- Универсальные адаптеры позволяют легко установить на стенд любой двигатель, КПП, или другой узел весом до 800 кг.
- Самотормозящийся червячный редуктор позволяет повернуть и зафиксировать закрепленный на стенде двигатель или другой узел так, чтобы было удобно и качественно производить ремонтные работы.
- Разборная конструкция рамы стенда.
Характеристики
|
Грузоподъемность, кг
|
800 |
|
Габаритные размеры, мм
|
1192/875/1132 |
|
Масса, кг
|
165 |




