Пробивной пресс YQG-01T
Новинки
Наличие уточняйте
Под заказ
Наши менеджеры обязательно свяжутся с вами и уточнят условия заказа
Обращаем Ваше внимание на то, что приведенные цены, характеристики и фотографии товаров носят исключительно ознакомительный характер и не являются публичной офертой, определяемой пунктом 2 статьи 437 Гражданского кодекса Российской Федерации.
Описание
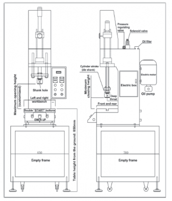
1. Эта серия гидравлических прессов подходит для прессовой посадки, пробивки, гибки и клепки деталей оборудования.
2. Он используется для пробивки, штамповки, формовки, неглубокой вытяжки, формовки и сборки под давлением металлических или неметаллических деталей, вырубки пластиковых пластин, прессования порошковых изделий и т. д.
Особенности:
1. Вся цельная сварная открытая конструкция может поддерживать фюзеляж достаточно жестким и иметь удобное рабочее пространство.
2. Машина использует гидравлический источник питания для передачи энергии и имеет гибкое управление. Скорость работы стабильна, а диапазон регулирования давления большой. Высокая эффективность и низкое потребление энергии значительно
улучшают качество прессовой посадки изделий.
3. Импортные высококачественные гидравлические компоненты и электрические компоненты используются со стабильной производительностью
и долговечностью.
4. Эксплуатация машины проста. Давление, ход и высоту закрытия можно регулировать в соответствии с требованиями процесса прессования.
5. Двуручное управление, включая функции аварийной остановки и толчкового перемещения. Устройство защиты инфракрасной световой завесы является дополнительным, безопасным и эффективным.
6. Высота открытия, ход и размер рабочего стола пресса могут быть настроены в соответствии с потребностями процесса клиентов.
7. Нестандартная настройка конструкции: интеллектуальное оборудование, такое как многопозиционное поворотное устройство стола, устройство подъема цилиндра, устройство приема материала, устройство расширения бокового цилиндрического скользящего стола. Он может быть оснащен системой охлаждения, функцией поддержания давления, реле давления, дисплеем измерения силы, интерфейсом человек-машина ПЛК и т. д.
2. Он используется для пробивки, штамповки, формовки, неглубокой вытяжки, формовки и сборки под давлением металлических или неметаллических деталей, вырубки пластиковых пластин, прессования порошковых изделий и т. д.
Особенности:
1. Вся цельная сварная открытая конструкция может поддерживать фюзеляж достаточно жестким и иметь удобное рабочее пространство.
2. Машина использует гидравлический источник питания для передачи энергии и имеет гибкое управление. Скорость работы стабильна, а диапазон регулирования давления большой. Высокая эффективность и низкое потребление энергии значительно
улучшают качество прессовой посадки изделий.
3. Импортные высококачественные гидравлические компоненты и электрические компоненты используются со стабильной производительностью
и долговечностью.
4. Эксплуатация машины проста. Давление, ход и высоту закрытия можно регулировать в соответствии с требованиями процесса прессования.
5. Двуручное управление, включая функции аварийной остановки и толчкового перемещения. Устройство защиты инфракрасной световой завесы является дополнительным, безопасным и эффективным.
6. Высота открытия, ход и размер рабочего стола пресса могут быть настроены в соответствии с потребностями процесса клиентов.
7. Нестандартная настройка конструкции: интеллектуальное оборудование, такое как многопозиционное поворотное устройство стола, устройство подъема цилиндра, устройство приема материала, устройство расширения бокового цилиндрического скользящего стола. Он может быть оснащен системой охлаждения, функцией поддержания давления, реле давления, дисплеем измерения силы, интерфейсом человек-машина ПЛК и т. д.
Характеристики
|
Макс. высота заготовки, мм
|
250 |
|
Номинальное усилие пресса, кН
|
10 |
|
Ход ползуна(стола), мм
|
75-150 |
|
Размеры стола, мм
|
350*240 |
|
Глубина захода, мм
|
120 |
|
Потребляемая мощность, кВт
|
1.5 |
|
Масса, кг
|
280 |
Видео






